Disco Freio Dianteiro Renault Master 2.5 2.8 Fremax Bd6848
Disco freio dianteiro renault master 2.5 2.8 - fremax - bd6848 - par
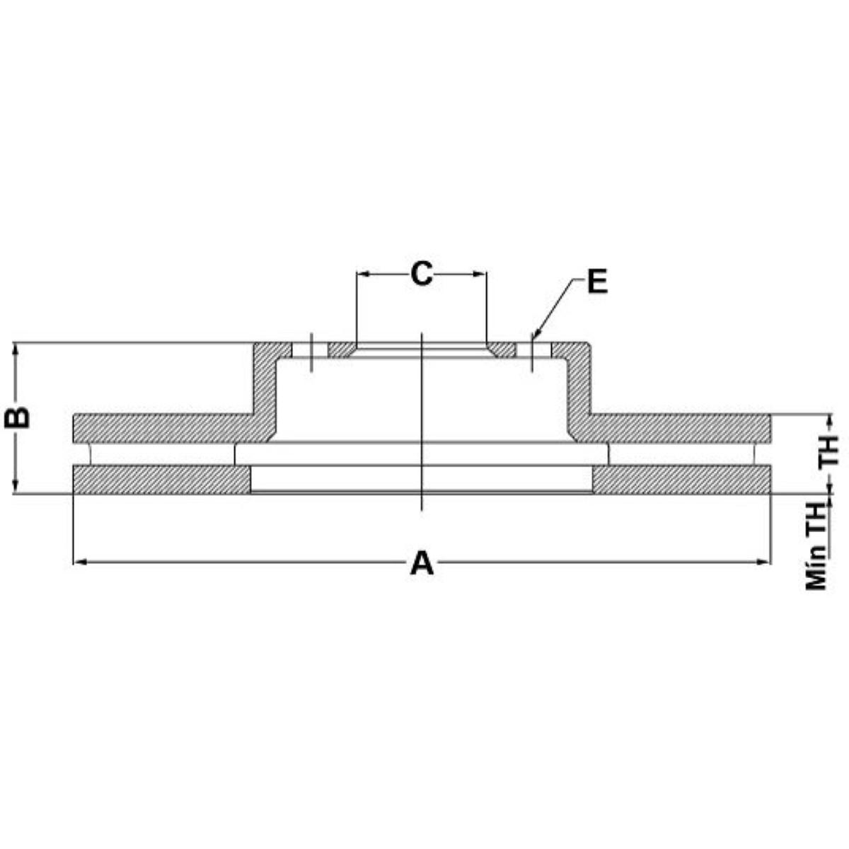
Especificações
Tipo pista: Ventilado
Cubo: Sem cubo
A 306.00 mm diâmetro externo
Th 28.00 mm espessura da pista
Min th 25.00 mm espessura mínima
B 78.00 mm altura total
C 90.00 mm diâmetro furo total
E 5 quantidade de furos
Compatibilidade
Renault
Master - 2.5 2004/2012
Master - 2.8 2002/2004
Fremax
Há mais de 30 anos a fremax fabrica autopeças premium, reconhecidas pela qualidade e segurança nos mercados automotivos mais exigentes do mundo. Fazer o melhor. Isso é o que nos move.
Suplauto
