Disco Freio Dianteiro Subaru Xt 1985/1991 Fremax Bd0170
Disco freio dianteiro subaru xt 1985/1991 - fremax - bd0170 - par
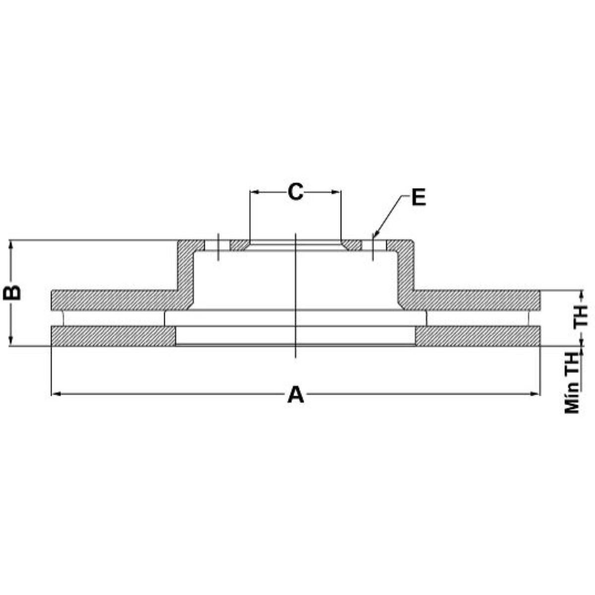
Especificações
Tipo pista: Ventilado
Cubo: Sem cubo
A 242.00 mm diâmetro externo
Th 18.00 mm espessura da pista
Min th 16.00 mm espessura mínima
B 44.00 mm altura total
C 70.00 mm diâmetro furo total
E 4 quantidade de furos
Compatibilidade
Subaru
Xt 1985 - 1991
Fremax
Há mais de 30 anos a fremax fabrica autopeças premium, reconhecidas pela qualidade e segurança nos mercados automotivos mais exigentes do mundo. Fazer o melhor. Isso é o que nos move.
Suplauto
