Disco Freio Dianteiro Mb A200 B200 Cla200 Cla250 Gla200 Fremax Bd0121
Disco freio dianteiro mb a200 b200 cla200 cla250 gla200 - fremax - bd0121 - par
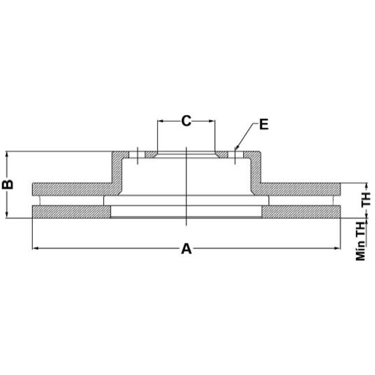
Especificações
Tipo pista: Ventilado
Cubo: Sem cubo
A 295.00 mm diâmetro externo
Th 28.00 mm espessura da pista
Min th 25.40 mm espessura mínima
B 51.00 mm altura total
C 67.00 mm diâmetro furo total
E 5 quantidade de furos
Compatibilidade
Mercedes-benz
A200 - 1.6 2013 -
B200 - 1.6 turbo cgi 2012 -
Cla200 - 1.6 2014 -
Cla250 - 2.0 2014 -
Gla200 - 1.6 turbo 2015 -
Fremax
Há mais de 30 anos a fremax fabrica autopeças premium, reconhecidas pela qualidade e segurança nos mercados automotivos mais exigentes do mundo. Fazer o melhor. Isso é o que nos move.
Suplauto
