Disco De Freio Dianteiro Volvo Xc60 Fremax Bd7304
Disco de freio - fremax - bd7304 - par
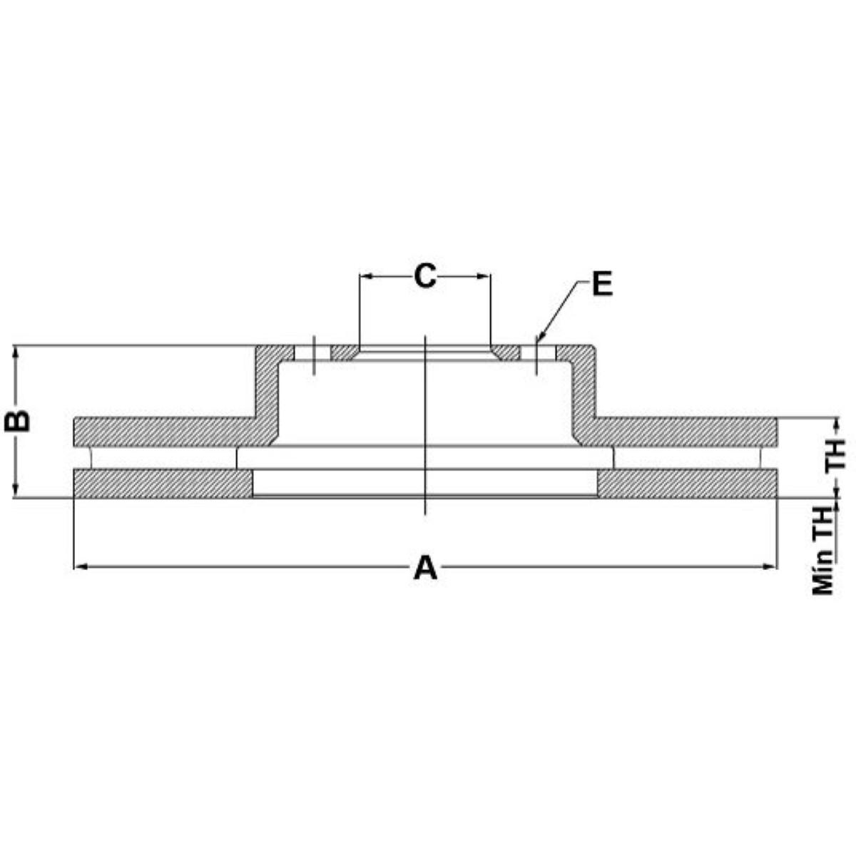
Especificacões
Eixo: Dianteiro
Tipo: Disco de freio
Tipo pista: Ventilado
Cubo: Sem cubo
A 328.00 mm diâmetro externo
Th 30.00 mm espessura da pista
Min th 28.00 mm espessura mínima
B 52.00 mm altura total
C 63.50 mm diâmetro furo total
E 5 quantidade de furos
Cod. Ref: Bd7304
Compatibilidade
Volvo - xc60 - 2.02011 -
Volvo - xc60 - 2.42015 -
Volvo - xc60 - 3.02009 - 2015
Fremax
Ao trocar os amortecedores, escolha cofap; é um produto que conhece efetivamente os desafios do solo brasileiro. A cofap fabrica amortecedores do tipo hidráulico nos modelos super, spa e também os amortecedores pressurizados turbogás, que se caracterizam por uma maior eficiência quando estão sob solicitação extrema, apresentando melhor rendimento se comparado ao tipo convencional, o que representa uma evolução no conceito do amortecedor.
Suplauto
