Disco Freio Traseiro Citroen C4 1.6 2.0 Pallas Vtr Ds4 Ds5 Fremax Bd5011
Disco de freio traseiro citroen c4 1.6 2.0 pallas vtr ds4 ds5 - fremax - bd5011 - par
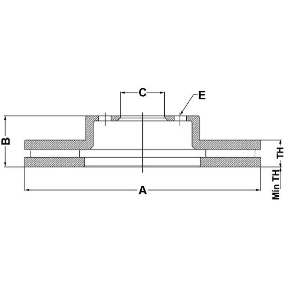
Especificações
Eixo: Traseiro
A 290.00 mm diâmetro externo
Th 12.00 mm espessura da pista
Min th 10.00 mm espessura mínima
B 35.00 mm altura total
C 71.00 mm diâmetro furo total
E 4 quantidade de furos
Tipo: Disco de freio
Tipo pista: Sólido
Cubo: Sem cubo
Compatibilidade
Citroën
C4 - 1.6 2009 - 2014
C4 - 2.0 2007 - 2014
C4 pallas - 2.0 2007 - 2013
C4 vtr - 2.0 2005 - 2009
Ds4 - 1.6 2012 - 2016
Ds5 - 1.6 2013 - 2016
Fremax
Há mais de 30 anos a fremax fabrica autopeças premium, reconhecidas pela qualidade e segurança nos mercados automotivos mais exigentes do mundo. Fazer o melhor. Isso é o que nos move.
Suplauto
