Disco Freio Dianteiro Kia Carnival 2.5 Mazda 626 2.0 929 3.0 Fremax Bd3267
Disco freio dianteiro kia carnival 2.5 mazda 626 2.0 929 3.0 - fremax - bd3267 - par
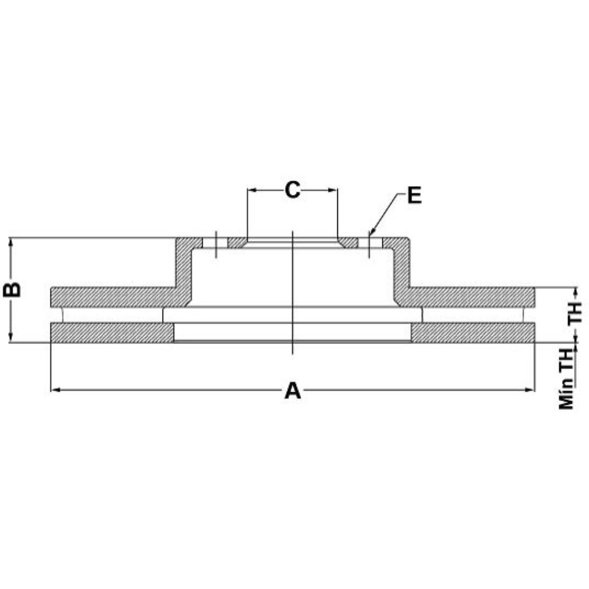
Especificações
Eixo: Dianteiro
A 273.50 mm diâmetro externo
Th 24.00 mm espessura da pista
Min th 22.00 mm espessura mínima
B 47.50 mm altura total
C 72.00 mm diâmetro furo total
E 5 quantidade de furos
Tipo: Disco de freio
Tipo pista: Ventilado
Cubo: Sem cubo
Compatibilidade
Kia motors
Carnival - 2.51999 - 2006
Mazda
626 - 2.0 1993 - 2000
929 - 3.0 1992 - 1995
Fremax
Há mais de 30 anos a fremax fabrica autopeças premium, reconhecidas pela qualidade e segurança nos mercados automotivos mais exigentes do mundo. Fazer o melhor. Isso é o que nos move.
Suplauto
